| CLIPS NO | X | C | W | N | Weight (Kg) |
|---|---|---|---|---|---|
| C&C 101 | 22 | - | 48 | - | 0,365 |
Das Hauptkomponent wird zuerst gegen die Schiene auf die Schraube gesetzt und dann wird der spezielle Unterlegscheibe auf das Hauptkomponent gesetzt. Die Mutter wird von Hand angezogen. Für einen festeren Kontakt wird ein Hammer verwendet. Sobald das Hauptkomponent richtig sitzt, wird zum Festziehen der Mutter ein elektrischer oder pneumatischer Schlüssel verwendet. Für vollständige Montageanweisungen kontaktieren Sie bitte C&C.
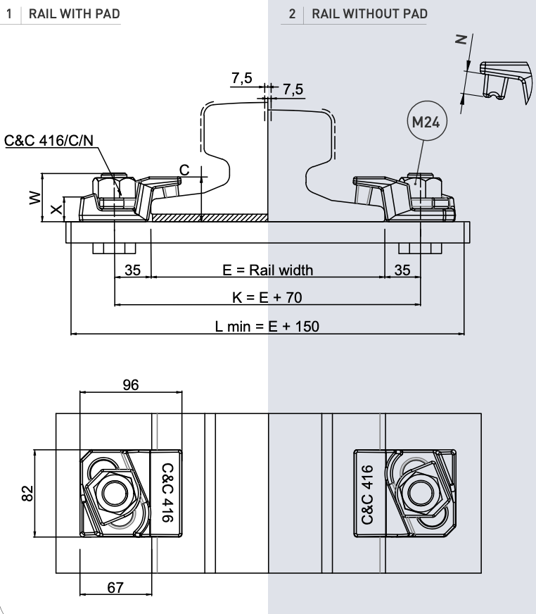
1· C&C 101 Klammer ist aus einem geschmiedeten Teil gefertigt und erleichtert dank ihres speziellen Designs die Montage.
2· Klemmen können mit oder ohne Polsterung verwendet werden.
3· Das Hauptteil wird mit einer M24-Schraube an der Schiene befestigt.
· Maximale Seitenbelastung: 60 kN
· Schraube: M24 Grad 8.8
· Anzugsdrehmoment: 200 Nm
· Stahlqualität: St52-3
| Type | A | B | E | Without Pad | With Pad |
|---|---|---|---|---|---|
| A45 | 45 | 55 | 125 | 101 | - |
| A55 | 55 | 65 | 150 | 101 | - |
| A65 | 65 | 75 | 175 | - | - |
| A75 | 75 | 85 | 200 | - | - |
| A100 | 100 | 95 | 200 | - | - |
| A120 | 120 | 105 | 220 | - | - |
| A150 | 150 | 150 | 220 | - | - |
| S10 | 32 | 70 | 58 | - | - |
| S14 | 38 | 80 | 70 | - | - |
| S18 | 43 | 93 | 82 | - | - |
| S20 | 44 | 100 | 82 | 101 | - |
| S24 | 53 | 115 | 90 | 101 | - |
| S30 | 60.3 | 108 | 108 | 101 | - |
| S31 | 56 | 125 | 106 | - | - |
| S33 | 65 | 145 | 135 | 101 | - |
| S41 A | 67 | 138 | 125 | 101 | - |
| S49 | 67 | 149 | 125 | 101 | - |
| 54 E1 (UIC54) | 70 | 159 | 140 | - | - |
| 60 E1 (UIC60) | 72 | 172 | 150 | - | - |
| CLIPS NO | X | C | W | N | Weight (Kg) |
|---|---|---|---|---|---|
| C&C 106/35/10 | 19 | 35 | 55 | 10 | 1,020 |
| C&C 106/35/16 | 19 | 35 | 55 | 16 | 1,100 |
| C&C 106/35/18 | 19 | 35 | 55 | 18 | 1,150 |
Schweißen Sie die Basis des Clips mit einem 4 mm Rand-Schweißverfahren entlang des gesamten Umfangs, mit Ausnahme der dem Schienenrand nächstgelegenen und parallelen Seite. Verwenden Sie Elektroden mit niedrigem Wasserstoffgehalt. Empfohlene Elektroden: AWS E7018 oder E7028. Die Clips-Basis besteht aus schweißbarem Qualitätsstahl. Für kontinuierliche Schweißanforderungen setzen Sie sich bitte mit uns in Verbindung.
| Type | A | B | E | Without Pad | With Pad |
|---|---|---|---|---|---|
| A65 | 65 | 75 | 175 | 106/35/18 | 106/35/10 |
| A75 | 75 | 85 | 200 | 106/35/16 | 106/35/10 |
| A100 | 100 | 95 | 200 | 106/35/16 | 106/35/10 |
| 39 E1 | 63,5 | 133,4 | 117,5 | 106/35/18 | 106/35/10 |
| 45 E1 | 66,7 | 142,9 | 127 | 106/35/18 | 106/35/10 |
| 50 E2 | 72 | 151 | 140 | 106/35/16 | 106/35/10 |
| 56 E1 | 69,85 | 158,75 | 140 | 106/35/16 | 106/35/10 |
| UIC 54 | 70 | 159 | 140 | 106/35/16 | 106/35/10 |
| UIC 60 | 72 | 172 | 150 | 106/35/16 | 106/35/10 |
| S30 | 60,3 | 108 | 108 | 106/35/18 | 106/35/10 |
| S33 | 58 | 134 | 105 | 106/35/18 | 106/35/10 |
| S41 A | 67 | 138 | 125 | 106/35/18 | 106/35/10 |
| S49 | 67 | 149 | 125 | 106/35/16 | 106/35/10 |
| KP70 | 70 | 120 | 120 | 106/35/16 | 106/35/10 |
| CLIPS NO | X | C | W | N | Weight (Kg) |
|---|---|---|---|---|---|
| C&C 205/35/12 | 18 | 35 | 45 | 12 | 1,420 |
| C&C 205/35/18 | 18 | 35 | 45 | 18 | 1,440 |
| C&C 205/35/22 | 18 | 35 | 45 | 22 | 1,490 |
Schweißen Sie den Clipboden entlang des gesamten Rahmens mit einer 5 mm dicken Schweißnaht, ausgenommen die dem Schienenanschluss am nächsten liegende Seite. Verwenden Sie Schweißelektroden mit niedrigem Wasserstoffgehalt. Empfohlene Elektroden: AWS E7018 oder E7028. Der Clipboden ist aus schweißbarem Qualitätsstahl gefertigt. Für kontinuierliche Schweißanforderungen kontaktieren Sie uns bitte.
1· C&C 205 Schweißclips werden aus zwei geschmiedeten Teilen hergestellt und bieten aufgrund ihrer speziellen Konstruktion eine einfache Montage.
2· Die Clips können mit oder ohne Polster verwendet werden.
3· Die beiden Hauptteile werden mit einer speziellen Schraube miteinander verriegelt.
4· Der Gummifuß verbessert die Toleranz der Schienenstützstrukturen, reduziert die Belastung an den Verbindungen und sorgt für eine bessere Stabilität der Schiene.
· Maximale seitliche Last: 170 kN
· Seitliche Einstellung: 8 mm
· Schraube: M16 Qualität 8.8
· Anzugsmoment: 175 Nm
· Stahlqualität: St52-3
1· M16 Mutter und Unterlegscheibe
2· Gummifußoberteil
3· Spezialschraube M16
4· Schweißklemmen Unterseite
Flanschmuttern können auf Anfrage verwendet werden. Bitte kontaktieren Sie uns für die Verwendung von Flanschmuttern.
| Type | A | B | E | Without Pad | With Pad |
|---|---|---|---|---|---|
| A45 | 45 | 55 | 125 | 205/35/22 | 205/35/18 |
| A55 | 55 | 65 | 150 | 205/35/22 | 205/35/18 |
| A65 | 65 | 75 | 175 | 205/35/22 | 205/35/18 |
| A75 | 75 | 85 | 200 | 205/35/22 | 205/35/18 |
| A100 | 100 | 95 | 200 | 205/35/22 | 205/35/12 |
| A120 | 120 | 105 | 220 | 205/35/18 | 205/35/12 |
| S49 | 67 | 149 | 125 | 205/35/22 | 205/35/12 |
| S54 | 67 | 154 | 125 | 205/35/18 | 205/35/12 |
| UIC54 | 70 | 159 | 140 | 205/35/22 | 205/35/12 |
| UIC60 | 72 | 172 | 150 | 205/35/22 | 205/35/12 |
| S41A | 67 | 138 | 125 | 205/35/22 | 205/35/18 |
| 50E2 | 72 | 151 | 140 | 205/35/22 | 205/35/12 |
| P43 | 70 | 140 | 114 | 205/35/18 | 205/35/12 |
| P50 | 72 | 152 | 132 | 205/35/18 | 205/35/12 |
| P65 | 73 | 180 | 150 | 205/35/18 | 205/35/12 |
| KP70 | 70 | 120 | 120 | 205/35/22 | 205/35/12 |
| KP80 | 80 | 130 | 130 | 205/35/22 | 205/35/12 |
| KP100 | 100 | 150 | 150 | 205/35/18 | 205/35/12 |
| CR108 | 65,1 | 131,8 | 131,8 | 205/35/22 | 205/35/12 |
| CR135 | 87,3 | 146,1 | 131,8 | 205/35/18 | 205/35/12 |
| CLIPS NO | X | C | W | N | Weight (Kg) |
|---|---|---|---|---|---|
| C&C 412/24/12 | 16 | 24 | 34 | 12 | 0,300 |
| C&C 412/31/12 | 16 | 31 | 34 | 12 | 0,340 |
Das Hauptteil wird zuerst gegen die Schiene mit der Schraube platziert und anschließend mit der speziellen Unterlegscheibe auf das Hauptteil aufgesetzt. Die Mutter wird von Hand angezogen. Für eine festere Verbindung kann ein Hammer verwendet werden. Nach dem Einsetzen des Hauptteils wird ein elektrischer oder pneumatischer Schraubenschlüssel zum Anziehen der Mutter verwendet. Für detaillierte Montageanweisungen wenden Sie sich bitte an C&C.
1· Der C&C 412 Klemmen ist aus einem Schmiedeteil gefertigt und bietet dank seiner speziellen Konstruktion eine einfache Montage.
2· Die Klemmen können mit oder ohne Polster gewählt werden.
3· Das Hauptteil wird mit einer M12-Schraube und einer speziellen Unterlegscheibe an der Schiene befestigt.
4· Der Gummistopfen verbessert die Toleranz der Schienenstützstrukturen, reduziert die Belastung an den Verbindungen und sorgt für eine bessere Fixierung der Schiene.
· Maximale seitliche Belastung: 30 kN
· Seitliche Verstellung: 10 mm
· Schraube: M12 Qualität 8.8
· Anzugdrehmoment: 85 Nm
· Stahlqualität: St52-3
| Type | A | B | E | Without Pad | With Pad |
|---|---|---|---|---|---|
| A45 | 45 | 55 | 125 | 412/24/12 | 412/31/12 |
| S7 | 25 | 65 | 50 | 412/24/12 | 412/31/12 |
| S10 | 32 | 70 | 58 | 412/24/12 | 412/31/12 |
| S14 | 38 | 80 | 70 | 412/24/12 | 412/31/12 |
| S18 | 43 | 92 | 82 | 412/24/12 | 412/31/12 |
| S20 | 44 | 100 | 82 | 412/24/12 | 412/31/12 |
| S24 | 53 | 115 | 90 | 412/24/12 | 412/31/12 |
| 9 KG | 32 | 64 | 64 | 412/24/12 | 412/31/12 |
| 12 KG | 43 | 70 | 70 | 412/24/12 | 412/31/12 |
| 15 KG | 43 | 80 | 80 | 412/24/12 | 412/31/12 |
| 22 KG | 51 | 94 | 94 | 412/24/12 | 412/31/12 |
| ASC20 | 34 | 66 | 60 | 412/24/12 | 412/31/12 |
| ASC25 | 38 | 69 | 69 | 412/24/12 | 412/31/12 |
| ASC30 | 43 | 30 | 79 | 412/24/12 | 412/31/12 |
| ASC40 | 48 | 40 | 89 | 412/24/12 | 412/31/12 |
| CLIPS NO | X | C | W | N | Weight (Kg) |
|---|---|---|---|---|---|
| C&C 414/31/10,5 | 14 | 31 | 35 | 10,5 | 0,380 |
| C&C 414/31/16 | 14 | 31 | 35 | 16 | 0,390 |
Das Hauptteil wird zuerst gegen die Schiene auf die Schraube gesetzt und dann wird eine spezielle Unterlegscheibe auf das Hauptteil aufgesetzt. Die Mutter wird von Hand angezogen. Für einen festeren Kontakt wird ein Hammer verwendet. Nachdem das Hauptteil richtig positioniert wurde, verwenden Sie zum Anziehen der Mutter einen elektrischen oder pneumatischen Schlüssel. Für detaillierte Montageanleitungen wenden Sie sich bitte an C&C.
1· Die C&C 414 Schraubenstrahlklammer wird aus einem geschmiedeten Teil hergestellt und bietet aufgrund ihres speziellen Designs eine einfache Montage.
2· Die Klemmen können mit oder ohne Polster verwendet werden.
3· Das Hauptteil wird mit einer M16-Schraube und einer speziellen Unterlegscheibe an der Schiene fixiert.
4· Der Gummischwanz erhöht die Toleranz der Schienenstützstrukturen, verringert die Belastung an den Verbindungen und sorgt für eine bessere Stabilität der Schiene.
· Maximale Seitenbelastung: 60 kN
· Seitliche Einstellung: 10 mm
· Schraube: M16 Qualität 8.8
· Anzugsmoment: 200 Nm
· Stahlqualität: St52-3
| Type | A | B | E | Without Pad | With Pad |
|---|---|---|---|---|---|
| A45 | 45 | 55 | 125 | 414/31/16 | 414/31/10,5 |
| A55 | 55 | 65 | 150 | 414/31/16 | 414/31/10,5 |
| A65 | 65 | 75 | 175 | 414/31/16 | 414/31/10,5 |
| S18 | 43 | 93 | 82 | 414/31/16 | 414/31/10,5 |
| S20 | 44 | 100 | 82 | 414/31/16 | 414/31/10,5 |
| S24 | 53 | 115 | 90 | 414/31/16 | 414/31/10,5 |
| S30 | 60,3 | 108 | 108 | 414/31/16 | 414/31/10,5 |
| S31 | 56 | 125 | 106 | 414/31/18 | 414/31/10,5 |
| S33 | 58 | 134 | 105 | 414/31/16 | 414/31/10,5 |
| S41 A | 67 | 138 | 125 | 414/31/16 | 414/31/10,5 |
| P24 | 51 | 107 | 92 | 414/31/16 | 414/31/10,5 |
| P43 | 70 | 140 | 114 | 414/31/16 | - |
| P50 | 72 | 152 | 132 | 414/31/16 | - |
| AFNOR 24 | 50 | 110 | 100 | 414/31/16 | 414/31/10,5 |
| AFNOR 30 | 56 | 125,5 | 106 | 414/31/16 | 414/31/10,5 |
| ASCE 60 | 50 | 110 | 100 | 414/31/16 | 414/31/10,5 |
| ASCE 80 | 63,5 | 127 | 127 | 414/31/16 | 414/31/10,5 |
| ASCE 85 | 65,1 | 131,8 | 131,8 | 414/31/16 | 414/31/10,5 |
| CLIPS NO | X | C | W | N | Weight (Kg) |
|---|---|---|---|---|---|
| C&C 416/42/9 | 22 | 42 | 45 | 9 | 0,900 |
| C&C 416/42/14 | 22 | 42 | 45 | 14 | 0,915 |
| C&C 416/42/21 | 22 | 42 | 45 | 21 | 0,930 |
Das Hauptteil wird zunächst auf die Schiene gegen die Schraube gesetzt und dann wird die spezielle Unterlegscheibe auf das Hauptteil gesetzt. Die Mutter wird von Hand angezogen. Ein Hammer wird verwendet, um einen festeren Kontakt zu erzielen. Nachdem das Hauptteil richtig sitzt, verwenden Sie einen elektrischen oder pneumatischen Schlüssel, um die Mutter anzuziehen. Für detaillierte Montageanweisungen wenden Sie sich bitte an C&C.
1· C&C 416 schraubbare Schweißklemmen werden aus einem geschmiedeten Stück gefertigt und bieten dank ihrer speziellen Konstruktion eine einfache Montage.
2· Die Klemmen können mit oder ohne Polster verwendet werden.
3· Das Hauptteil wird mit einer M24-Schraube und einer speziellen Unterlegscheibe an der Schiene befestigt.
4· Der Gummistopfen erhöht die Toleranz der Schienenstützstrukturen, reduziert den Stress an den Verbindungen und sorgt für eine bessere Befestigung der Schiene.
· Maximale seitliche Last: 160 kN
· Seitliche Einstellung: 15 mm
· Schraube: M24 Qualität 8.8
· Anzugsmoment: 550 Nm
· Stahlqualität: St52-3
| Type | A | B | E | Without Pad | With Pad |
|---|---|---|---|---|---|
| A100 | 100 | 95 | 200 | 416/42/21 | 416/42/19 |
| A120 | 120 | 105 | 220 | 416/42/21 | 416/42/14 |
| A150 | 150 | 150 | 220 | 416/42/21 | 416/42/14 |
| CR73 | 100 | 135 | 140 | 416/42/21 | 416/42/14 |
| CR100 | 120 | 150 | 155 | 416/42/21 | 416/42/9 |
| CR104 | 63,5 | 127 | 127 | 416/42/21 | 416/42/14 |
| CR105 | 65,1 | 131,8 | 131,8 | 416/42/21 | 416/42/14 |
| CR135 | 79,4 | 146,1 | 131,8 | 416/42/21 | 416/42/14 |
| CR171 | 101,6 | 152,4 | 152,4 | 416/42/21 | 416/42/14 |
| CR175 | 102,4 | 152,4 | 152,4 | 416/42/21 | 416/42/14 |
| MRS73 | 70 | 157 | 146 | 416/42/21 | 416/42/9 |
| MRS87A | 101,6 | 152,4 | 152,4 | 416/42/21 | 416/42/14 |
| P50 | 72 | 152 | 132 | 416/42/21 | 416/42/14 |
| P65 | 73 | 180 | 150 | 416/42/21 | 416/42/14 |
| KP100 | 100 | 150 | 150 | 416/42/21 | 416/42/14 |
| KP120 | 120 | 170 | 170 | 416/42/21 | 416/42/14 |
| CLIPS NO | X | C | W | N | Weight (Kg) |
|---|---|---|---|---|---|
| C&C 418/40/12 | 21 | 40 | 50 | 12 | 2,350 |
| C&C 418/40/18 | 21 | 40 | 50 | 18 | 2,450 |
Das Hauptbauteil wird zuerst gegen die Schiene auf die Schraube gesetzt und dann wird eine spezielle Unterlegscheibe auf das Hauptbauteil gesetzt. Die Mutter wird von Hand angezogen. Ein Hammer wird verwendet, um eine festere Verbindung zu erreichen. Nachdem das Hauptbauteil an seinem Platz ist, wird ein elektrisches oder pneumatisches Werkzeug verwendet, um die Mutter festzuziehen. Für detaillierte Montageanweisungen wenden Sie sich bitte an C&C.
1· C&C 418 Schraubenschienenhalterung wird aus einem geschmiedeten Stück hergestellt und bietet durch ihr spezielles Design eine einfache Montage.
2· Die Clips können mit oder ohne Polsterung verwendet werden.
3· Das Hauptbauteil wird mit einer speziellen Schraube an der Schiene befestigt.
4· Die Gummispitze erhöht die Toleranzen der Schienenstützen, verringert die Belastung an den Verbindungen und sorgt für eine bessere Stabilisierung der Schiene.
· Maximale seitliche Belastung: 250 kN
· Seitliche Anpassung: 15 mm
· Schraube: M24 Qualität 8.8
· Anzugsdrehmoment: 550 Nm
· Stahlqualität: St52-3
| Type | A | B | E | Without Pad | With Pad |
|---|---|---|---|---|---|
| A120 | 120 | 105 | 220 | 418/40/18 | 418/40/12 |
| A150 | 150 | 150 | 220 | 418/40/18 | 418/40/12 |
| CR73 | 100 | 135 | 140 | 418/40/18 | 418/40/12 |
| CR104 | 63,5 | 127 | 127 | 418/40/18 | 418/40/12 |
| CR135 | 79,4 | 146,1 | 131,8 | 418/40/18 | 418/40/12 |
| CR171 | 101,6 | 152,4 | 152,4 | 418/40/18 | 418/40/12 |
| CR175 | 102,4 | 152,4 | 152,4 | 418/40/18 | 418/40/12 |
| MRS73 | 70 | 157 | 146 | 418/40/18 | 418/40/12 |
| MRS86 | 102 | 102 | 165 | 418/40/18 | 418/40/12 |
| MRS87A | 101,6 | 152,4 | 152,4 | 418/40/18 | 418/40/12 |
| KP100 | 100 | 150 | 150 | 418/40/18 | 418/40/12 |
| KP120 | 120 | 170 | 170 | 418/40/18 | 418/40/12 |
| CLIPS NO | X | C | W | N | Weight (Kg) |
|---|---|---|---|---|---|
| C&C 521/38/14 | 18 | 38 | 55 | 14 | 0,790 |
| C&C 521/38/20 | 18 | 38 | 55 | 20 | 0,800 |
Das Hauptteil wird zuerst gegen die Schiene geschraubt und dann wird der spezielle Unterlegring auf das Hauptteil gesetzt. Die Mutter wird von Hand angezogen. Ein Hammer kann verwendet werden, um einen engeren Kontakt zu erzielen. Nachdem das Hauptteil an seinem Platz ist, wird ein elektrischer oder pneumatischer Schraubenschlüssel verwendet, um die Mutter festzuziehen. Für vollständige Montageanweisungen wenden Sie sich bitte an C&C.
1· Die C&C 521 verschraubte Schienenklammer wird aus einem geschmiedeten Einzelstück gefertigt und bietet durch ihr spezielles Design eine einfache Montage.
2· Die Klemmen können mit oder ohne Polster verwendet werden.
3· Das Hauptteil wird mit einer speziellen Schraube an der Schiene befestigt.
4· Die Gummispitze erhöht die Toleranz der Schienenstützstrukturen, verringert die Spannung an den Verbindungen und sorgt für eine bessere Stabilisierung der Schiene.
· Maximale seitliche Belastung: 90 kN
· Seitliche Einstellung: 10 mm
· Schraube: M20 Qualität 8.8
· Anzugdrehmoment: 390 Nm
· Stahlqualität: St52-3
| RAIL TYPE | A | B | E | Without Pad | With Pad |
|---|---|---|---|---|---|
| A65 | 65 | 75 | 175 | 521/38/20 | 521/38/14 |
| A75 | 75 | 85 | 200 | 521/38/20 | 521/38/14 |
| A100 | 100 | 95 | 200 | 521/38/20 | 521/38/14 |
| A120 | 120 | 105 | 220 | 521/38/20 | 521/38/14 |
| CR105 | 65,1 | 131,8 | 131,8 | 521/38/20 | 521/38/14 |
| S33 | 58 | 134 | 105 | 521/38/20 | 521/38/14 |
| S41 A | 67 | 138 | 125 | 521/38/20 | 521/38/14 |
| S49 | 67 | 149 | 125 | 521/38/20 | 521/38/14 |
| S54 | 67 | 154 | 125 | 521/38/20 | 521/38/14 |
| 50 E2 | 72 | 151 | 140 | 521/38/20 | 521/38/14 |
| UIC 54 | 70 | 159 | 140 | 521/38/20 | 521/38/14 |
| UIC 60 | 72 | 172 | 150 | 521/38/20 | 521/38/14 |
| 56 E1 | 69,85 | 158,75 | 140 | 521/38/20 | 521/38/14 |
| P43 | 70 | 140 | 114 | 521/38/20 | 521/38/14 |
| P50 | 72 | 152 | 132 | 521/38/20 | 521/38/14 |
| CLIPS NO | X | W | Weight (Kg) |
|---|---|---|---|
| C&C 4018 | 18 | 41 | 0,385 |
Der Hauptbauteil wird zuerst auf die Schiene geschraubt und dann wird eine spezielle Unterlegscheibe auf das Hauptbauteil gesetzt. Die Mutter wird von Hand angezogen. Für eine festere Verbindung kann ein Hammer verwendet werden. Nachdem das Hauptbauteil an seinem Platz ist, verwenden Sie einen elektrischen oder pneumatischen Schraubenschlüssel, um die Mutter festzuziehen. Für detaillierte Montageanweisungen wenden Sie sich bitte an C&C.
1· Der C&C 4018 Klemmen wird aus einem geschmiedeten Einzelstück hergestellt und bietet aufgrund seines speziellen Designs eine einfache Montage.
2· Die Clips können sowohl mit als auch ohne Polster verwendet werden.
3· Das Hauptteil wird mit einer M20-Schraube an der Schiene befestigt.
· Maximale Seitenlast: 60 kN
· Seitliche Einstellung: 6 mm
· Schraube: M20 Qualität 8.8
· Anzugsdrehmoment: 220 Nm
· Stahlqualität: St52-3
| Type | A | B | E | Without Pad | With Pad |
|---|---|---|---|---|---|
| A45 | 45 | 55 | 125 | 4018 | - |
| A55 | 55 | 65 | 150 | 4018 | - |
| A65 | 65 | 75 | 175 | 4018 | - |
| A75 | 75 | 85 | 200 | - | - |
| A100 | 100 | 95 | 200 | - | - |
| A120 | 120 | 105 | 220 | - | - |
| A150 | 150 | 150 | 220 | - | - |
| S10 | 32 | 70 | 58 | 4018 | - |
| S14 | 38 | 80 | 70 | 4018 | - |
| S18 | 43 | 93 | 82 | 4018 | - |
| S20 | 44 | 100 | 82 | 4018 | - |
| S24 | 53 | 115 | 90 | 4018 | - |
| S30 | 60,3 | 108 | 108 | 4018 | - |
| S31 | 56 | 125 | 106 | - | - |
| S33 | 65 | 145 | 135 | 4018 | - |
| S41 A | 67 | 138 | 125 | 4018 | - |
| S49 | 67 | 149 | 125 | - | - |
| 54 E1 (UIC54) | 70 | 159 | 140 | - | - |
| 60 E1 (UIC60) | 72 | 172 | 150 | - | - |
| CLIPS NO | X | C | W | N | Weight (Kg) |
|---|---|---|---|---|---|
| C&C 4021 | 21 | - | 44 | - | 0,650 |
Das Hauptteil wird zunächst gegen die Schiene auf die Schraube gesetzt und dann wird die spezielle Unterlegscheibe auf das Hauptteil gelegt. Die Mutter wird von Hand festgezogen. Für eine festere Verbindung wird ein Hammer verwendet. Sobald das Hauptteil in Position ist, verwenden Sie einen elektrischen oder pneumatischen Schraubenschlüssel, um die Mutter festzuziehen. Für vollständige Montageanweisungen wenden Sie sich bitte an C&C.
1· Der C&C 4021 Klammer wird aus einem geschmiedeten Stück hergestellt und bietet durch sein spezielles Design eine einfache Montage.
2· Die Klemmen können mit oder ohne Polsterung verwendet werden.
3· Das Hauptteil wird mit einer M20-Schraube an der Schiene befestigt.
· Maximale seitliche Last: 70 kN
· Seitliche Einstellung: 8 mm
· Schraube: M20 Qualität 8.8
· Drehmoment: 320 Nm
· Stahlqualität: St52-3
| RAIL TYPE | A | B | E | Without Pad | With Pad |
|---|---|---|---|---|---|
| A45 | 45 | 55 | 125 | - | - |
| A55 | 55 | 65 | 150 | - | - |
| A65 | 65 | 75 | 175 | 4021 | - |
| A75 | 75 | 85 | 200 | 4021 | - |
| A100 | 100 | 95 | 200 | - | - |
| A120 | 120 | 105 | 220 | - | - |
| A150 | 150 | 150 | 220 | - | - |
| S10 | 32 | 70 | 58 | - | - |
| S14 | 38 | 80 | 70 | - | - |
| S18 | 43 | 93 | 82 | - | - |
| S20 | 44 | 100 | 82 | - | - |
| S24 | 53 | 115 | 90 | 4021 | - |
| S30 | 60,3 | 128 | 108 | 4021 | - |
| S31 | 56 | 125 | 104 | - | - |
| S33 | 65 | 145 | 135 | 4021 | - |
| S41 A | 67 | 138 | 125 | 4021 | - |
| S49 | 67 | 149 | 125 | 4021 | - |
| 54 E1 (UIC54) | 70 | 159 | 140 | 4021 | - |
| 60 E1 (UIC60) | 72 | 172 | 150 | - | - |
| CLIPS NO | X | C | W | N | Weight (Kg) |
|---|---|---|---|---|---|
| C&C 4023 | 23 | - | 46 | - | 0,740 |
Das Hauptteil wird zuerst auf die Schiene geschraubt, dann wird eine spezielle Unterlegscheibe auf das Hauptteil gesetzt. Die Mutter wird manuell angezogen. Um einen besseren Kontakt zu gewährleisten, kann ein Hammer verwendet werden. Sobald das Hauptteil an seinem Platz ist, wird ein elektrischer oder pneumatischer Schraubenschlüssel zum Anziehen der Mutter verwendet. Für detaillierte Montageanleitungen kontaktieren Sie bitte C&C.
1· Der C&C 4023 Schraubenzug wird aus einem geschmiedeten Stück hergestellt und bietet dank seines speziellen Designs eine einfache Montage.
2· Die Clips können mit oder ohne Polster verwendet werden.
3· Das Hauptteil wird mit einer M20 Schraube an der Schiene befestigt.
· Maximale seitliche Belastung: 70 kN
· Seitliche Einstellung: 8 mm
· Schraube: M20 Qualität 8.8
· Anzugsdrehmoment: 320 Nm
· Stahlqualität: St52-3
| RAIL TYPE | A | B | E | Without Pad | With Pad |
|---|---|---|---|---|---|
| A45 | 45 | 55 | 125 | - | - |
| A55 | 55 | 65 | 150 | - | - |
| A65 | 65 | 75 | 175 | - | - |
| A75 | 75 | 85 | 200 | 4023 | - |
| A100 | 100 | 95 | 200 | 4023 | - |
| A120 | 120 | 105 | 220 | - | - |
| A150 | 150 | 150 | 220 | - | - |
| S10 | 32 | 70 | 58 | - | - |
| S14 | 38 | 80 | 70 | - | - |
| S18 | 43 | 93 | 82 | - | - |
| S20 | 44 | 100 | 82 | - | - |
| S24 | 53 | 115 | 90 | - | - |
| S30 | 60,3 | 108 | 108 | 4023 | - |
| S31 | 56 | 125 | 106 | - | - |
| S33 | 65 | 145 | 135 | 4023 | - |
| S41 A | 54 | 138 | 125 | - | - |
| S49 | 67 | 149 | 125 | 4023 | - |
| 54 E1 (UIC54) | 70 | 159 | 140 | 4023 | - |
| 60 E1 (UIC60) | 72 | 172 | 150 | 4023 | - |
| CLIPS NO | X | C | W | N | Weight (Kg) |
|---|---|---|---|---|---|
| C&C 4025 | 25 | - | 48 | - | 1,000 |
Die Hauptkomponente wird zuerst gegen die Schraube auf die Schiene gelegt, dann wird eine spezielle Unterlegscheibe auf die Hauptkomponente gesetzt. Die Mutter wird von Hand angezogen. Für eine festere Verbindung kann ein Hammer verwendet werden. Wenn die Hauptkomponente an ihrem Platz ist, wird zum Anziehen der Mutter ein elektrischer oder pneumatischer Schlüssel verwendet. Bitte wenden Sie sich für vollständige Montageanweisungen an C&C.
1· Die C&C 4025 Schraubenklemme ist aufgrund ihres speziellen Designs aus geschmiedeten Teilen einfach zu montieren.
2· Die Klemmen können sowohl für gepolsterte als auch für nicht gepolsterte Schienen verwendet werden.
3· Das Hauptteil wird mit einer M20-Schraube an der Schiene befestigt.
· Maximale seitliche Belastung 70 kN
· Seitliche Einstellung 10 mm
· Schraube M20, Festigkeit 8.8
· Anzugsdrehmoment 320 Nm
· Stahlqualität St52-3
| RAIL TYPE | A | B | E | Without Pad | With Pad |
|---|---|---|---|---|---|
| A45 | 45 | 55 | 125 | - | - |
| A55 | 55 | 65 | 150 | - | - |
| A65 | 65 | 75 | 175 | 4025 | - |
| A75 | 75 | 85 | 200 | 4025 | - |
| A100 | 100 | 95 | 200 | 4025 | - |
| A120 | 120 | 105 | 220 | - | - |
| A150 | 150 | 150 | 220 | - | - |
| S10 | 32 | 70 | 58 | - | - |
| S14 | 38 | 80 | 70 | - | - |
| S18 | 43 | 93 | 82 | - | - |
| S20 | 44 | 100 | 82 | - | - |
| S24 | 53 | 115 | 90 | - | - |
| S30 | 60,3 | 108 | 108 | 4025 | - |
| S31 | 56 | 125 | 106 | - | - |
| S33 | 65 | 145 | 135 | 4025 | - |
| S41 A | 67 | 138 | 125 | 4025 | - |
| S49 | 67 | 149 | 125 | - | - |
| 54 E1 (UIC54) | 70 | 159 | 140 | - | - |
| 60 E1 (UIC60) | 72 | 172 | 150 | 4025 | - |